https://www.tradgardsteknik.se/logotyper/bill_logo_1.png
Patric Torle
info@tradgardsteknik.se
0431-222 90
0431-222 70
Trädgårdsteknik AB tillverkar och bygger växthus, specialväxthus, orangerier, belysning Garden för hela Skandinavien.
Helsingborgsvägen 578
ÄNGELHOLM
262 96
SWEDEN

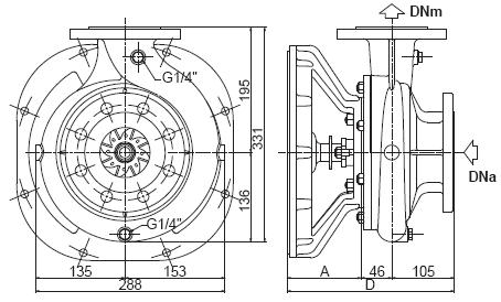
Pump flänsad pump ROVATTI FL619A 126m³/h  




Pump flänsad pump ROVATTI FL619A  126m³/h

CA/SB



F

 

 

Flänsar   Standard A
D
Vikt
CA 1 a 77 228 46
b 132 293 27
c 177 328 31
2 a 112 263 29
b 147 298 29
3 a 77 228 28
b 112 263 29
c 147 298 27
4 a 87 238 28
b 132 283 30
5 a 77 228 28
b 112 263 29
c 147 298 29
6 a 132 283 30
b 177 328 31
7 a 87 238 28
b 132 283 30
SB 11 132 283 28
12 **
21 161 312 28
22 **
23 164 315 30
31 161 312 28
32 **
33 164 315 30
F 1 121 272 33
2 126 277 33

 

 ** - Inte tillgängliga versionen
 
Q Flänsad
DN D1 D2

S

D3
DNa

PN 16
80 200 160 8 19
DNm
PN 10/16*
65 185 145 4 19

 

* Beroende fungera pressar

 

Q Kapacitet
[m3/h] 0

60

72 96 108 120 126
[l/s] 0 16,7 20 26,7 3 33,3 35
[l/min] 0     1000     1200     1600     1800     2000

    2100

min-1 Impeller

H

[m]

N

[kW]

H

[m]

N

[kW]

H

[m]

N

[kW]

H

[m]

N

[kW]

H

[m]

N

[kW]

H

[m]

N

[kW]

H

[m]

N

[kW]

3600 E 75 9,1 75 18,8 74 20,6 70 24,1 67 25,8 62 27,4 59 28,1
F 68 7,9 68 16,6 67 18,3 62 21,5 59 22,9 53 24,1 50 24,6
G 60 6,5 59 14,2 58 15,8 53 18,6 49 19,9 44 20,8 - -
H 53 5,5 52 12,2 51 13,6 45 16,2 40 17,2 - - - -
I 47 4,7 47 10,5 45 11,6 38 13,6 30 14,4 - - - -

 

Q Kapacitet
[m3/h] 0

60

84 96 108 114 120
[l/s] 0 16,7 23,3 26,7 3 31,7 33,3
[l/min] 0     1000     1400     1600     1800     1900

    2000

min-1 Impeller

H

[m]

N

[kW]

H

[m]

N

[kW]

H

[m]

N

[kW]

H

[m]

N

[kW]

H

[m]

N

[kW]

H

[m]

N

[kW]

H

[m]

N

[kW]

3300 E 65 7 64 15,2 61 18,4 58 19,7 53 20,9 50 21,5 47 21,9
F 57 6,1 57 13,4 53 16,1 50 17,3 46 18,4 43 18,9 - -
G 50 5 50 11,5 46 14 42 15,1 38 15,9 - - - -
H 44 4,2 44 9,9 39 12,1 35 13 29 13,8 - - - -
I 39 3,6 39 8,5 34 10,2 28 10,9 - - - - - -

 

Q Kapacitet
[m3/h] 0

60

72 84 96 102 108
[l/s] 0 16,7 20 23,3 26,7 28,3 3
[l/min] 0     1000     1200     1400     1600     1700

    1800

min-1 Impeller

H

[m]

N

[kW]

H

[m]

N

[kW]

H

[m]

N

[kW]

H

[m]

N

[kW]

H

[m]

N

[kW]

H

[m]

N

[kW]

H

[m]

N

[kW]

3000 E 53 5,3 53 12 51 13,3 49 14,5 45 15,6 42 16 39 16,4
F 47 4,6 46 10,6 45 11,7 42 12,8 39 13,7 36 14,1 33 14,4
G 41 3,7 40 9,1 39 10,2 36 11,1 32 11,9 30 12,2 - -
H 36 3,2 36 7,9 34 8,8 30 9,6 25 10,3 - - - -
I 33 2,7 31 6,7 29 7,4 25 8,1 17 8,6 - - - -

 

Q Kapacitet
[m3/h] 0

60

72 84 96 120 126
[l/s] 0 16,7 20 23,3 26,7 33,3 35
[l/min] 0     1000     1200     1400     1600     1700

    2100

min-1 Impeller

H

[m]

N

[kW]

H

[m]

N

[kW]

H

[m]

N

[kW]

H

[m]

N

[kW]

H

[m]

N

[kW]

H

[m]

N

[kW]

H

[m]

N

[kW]

2600 E 41 3,5 38 8,5 36 9,4 33 10,1 28 10,7 - - - -
F 36 3,1 34 7,7 32 8,5 28 9,3 23 9,8 - - - -
G 32 2,4 30 6,5 27 7,3 23 7,9 - - - - - -
H 27 2 25 5,6 23 6,2 19 6,8 - - - - -
I 25 1,6 21 4,8 18 5,3 14 5,7 - - - - - -

 


Föreställningar
  3600 min-1

Q- kapacitet, H- huvud

Kurvor fastställda för vätsketäthet 1000 kg/m³
Viskositet 1 mm² /s
Temperatur 20°C
η% - Pump effektivitet
Y - Ventilförlust Returnerar ej.

Föreställningar  3300 min-1

Föreställningar  3000 min-1

 

 

Föreställningar  2600 min-1

  • Pump flänsad pump ROVATTI FL619A  126m³/h
    Art. nr.
    ROV0320
    Pump flänsad pump ROVATTI FL619A 126m³/h
För mer information kontakta oss på
0431-222 90


TRÄDGÅRDSTEKNIK AB
Helsingborgsv., Varalöv
262 96 ÄNGELHOLM
Telefon:
0431-222 90
Org Nr:
556409-6120
Webbadress:
www.tradgardsteknik.se
E-post:
info@tradgardsteknik.se