Cirkulationspump Grundfos TPE 150-220/4, 18,5kW 278m³/h 18,2m 3x400V 50Hz
- Enstegs, direktkopplad pump med inlopps-och utloppsportar i linje med samma diameter.
- Pumparna är konstruerade för att kunna lyftas uppåt ur sin installation (”top-pull-out”), dvs. att pumpöverdelen (motor, pumpöverdel och pumphjul) kan lyftas ut för underhåll eller service, medan pumphuset sitter kvar i rörkonstruktionen.
- Pumpen är försedd med en obalanserad gummibälgstätning.
- Axeltätningen uppfyller EN 12756.
- Röranslutningen sker med PN 16 DIN-flänsar (EN 1092-2 och ISO 7005-2).
- Pumpen är försedd med en fläktkyld asynkronmotor.
- Motorn har en frekvensomformare och en PI-styrenhet i motorns kopplingsbox.
- Detta möjliggör kontinuerlig reglering av motorvarvtalet, vilket gör att man kan anpassa pumpens prestanda efter ett givet behov.
*-Bilden på produkten kan avvika från aktuell produkt.
| Vätska |
| Vätska |
Vatten |
| Vätsketemperatur område |
0 till 120°C |
| Vätsketemp |
20°C |
| Densitet |
998,2 kg/m³ |
| Teknisk data |
| Hastighets |
1460 rpm
|
| Resulterande flöde |
278 m³/h |
| Resulterande lyfthöjd för pumpen |
18,2 m |
| Max. tryck |
220 dm |
| Faktisk pumphjulsdiameter |
256 mm |
Kod för axeltätning. 1: Typ 2. Rot. tätningsdel 3: Stat. plats 4: Sek. tätning: |
BAQE |
| Kurvtolerans |
ISO9906:2012 3B |
| Pumpversion |
A |
| Modell |
A |
| Material |
| Pumphus |
Gjutjärn EN-JL 1040 ASTM A48-40B |
| Pumphjul |
Gjutjärn EN-JL 1030 ASTM A48-30 B |
| Materialkod |
A |
| Installation |
| Max. omgivningstemperatur |
40°C |
| Max. driftstryck |
16 bar |
| Flänsstandard |
DIN |
| Anslutningskod |
F |
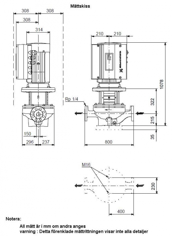
| Röranslutning |
DN 150 |
| Trycksteg |
PN 16 |
| Inbyggnadslängd |
800 mm |
| Motorflänsstorlek |
FF300 |
| Elektriskdata |
| Motortyp |
180MA |
| IE Efficiency class |
IE2 |
| Effektförbrukning P2 |
18,5 kW |
| Antal Poler |
4 |
| Nätfrekvens |
50 Hz |
| Märkspänning |
3 x 380-480 V
|
| Nominell ström |
37,0-30,0 A |
| Cos phi - verkningsgrad |
0,91-0,88 |
| Varvtal |
240-1750 rpm |
| Kapslingsklass (EC 34-5) |
IP55 |
| Efficiency |
IE3 91,2% |
| Isolationsklass (EC 85) |
F |
| Motorskydd |
INGEN |
| Motornr |
86901002 |
| Övriga |
| Märka |
Grundfos Blueflux |
| Minsta effektivitetsindex, MEI ≥ |
0,65 |
| Nettovikt |
376 kg |
| Bruttovikt |
437 kg |
| Leveransvolym |
0.94 m³ |
Prestanda kurvor

» Ritning med mått beskrivning