https://www.tradgardsteknik.se/logotyper/bill_logo_1.png
Patric Torle
info@tradgardsteknik.se
0431-222 90
0431-222 70
Trädgårdsteknik AB tillverkar och bygger växthus, specialväxthus, orangerier, belysning Garden för hela Skandinavien.
Helsingborgsvägen 578
ÄNGELHOLM
262 96
SWEDEN

Avloppspumpstation Grundfos MultiLift M.22.3.4, 2,5kW, 11 l/s, 7,05m, 3x400V 50Hz  




Avloppspumpstation Grundfos MultiLift M.22.3.4, 2,5kW, 11 l/s, 7,05m, 3x400V 50Hz
  • Levereras som komplett enhet redo för installation, den Multilift består av en fullt integrerad samlande behållare med två pumpar och dränkbara motorer, backventil med integrerad Y-grenröret, ansvarsfrihet adapter med flexibel anslutning bit DN100 monterad på den samlande behållaren och en förkopplad Controller inkl en nivågivare.
  • En fullt integrerad uppsamlingsbehållare har alla nödvändiga portar för anslutning av inloppsröret, utloppsrör, ventilationsrör och en manuellt manövrerad membranpump (tillbehör).
  • Den samlande behållaren innehåller 8 inlopp sockets runt det har forma.
  • Tillbaka inloppet DN100 placeras på en patenterad inlopp disk att ansluta alla inlopp pipe nivåer (centrum) mellan 180 och 315 mm steglös.
  • DN100 och DN50 inlopp uttag på varje sida. 2 x DN150, DN50 uttag på toppen av tanken.
  • Multilift korrosion gratis polyethylen samlande behållare är gas - och lukt-proof samt lika vattentäta, minskning av restvatten och mindre sedimentation av fasade botten design.
  • Pumpar med Vortex impeller och en underhåll gratis dränkbara motorer, oljekammaren med fysiologiska ofarliga oljepåfyllning mellan två axeltätningar.
  • Rotationsriktning kan observeras från yttersidan över den skaft nedanför ögat bulten.
  • En LC221 styrenhet med mikroprocessor är utrustad med display för full övervakning möjligheter.
  • Den pump och sensor är ansluten till styrenheten med 4m eller 10m kabel och slang längd.
  • Strömförsörjning kabeln är 1, 5m med stickkontakt (inkl. fas inverter för 3-fasmotor)
  • Kontaktlösa, piezo resistiv tryck sensor pluggable insidan skåpet, övervakas av controller, exakt till den millimeter på displayen.
  • Blockering gratis tryck röret inuti tanken utan rörliga delar inuti avloppsvatten.
  • Registeransvarige erbjuda termisk motorskydd och övervakning av pump drift.
  • Termiska motorn skydd består av termokontakter i lindningen.
Kontroller funktioner:
  • På/av, regelbundna och misslyckande övergången av två avloppsvatten pumpar baserat på en kontinuerlig signal från en piezo-resistiv sensor
  • Motorskydd via motor-skyddsåtgärder effektbrytare eller strömmätning samt anslutning av termokontakter.
  • Torr kör motorskydd via körning begränsning med en följande nöddrift
  • 24h automatiska testet körs under långa perioder av inaktivitet
Inställning av fördröjningstider
  • Stoppa dröjsmål (tid från stoppnivån nås tills den pumpade stoppas)
  • Start fördröjning (tid från startnivå nås tills den pumpade startas)
  • Larm försening (tid från ett fel visas tills ett larm är anges) till förhindrar kort-tid high-level larmet vid tillfälligt hög tillströmning till tank.
  • Automatisk strömmätning för larm indikationer
Operativa uppgift om:
  • Läge (auto, manuell)
  • Drifttimmar
  • Impulser (antal starter)
  • Högsta uppmätta motor ström
Larmindikering av:
  • Pumpa status (löpning, fel)
  • Fasföljd fel och saknad fas
  • Thermal-switch misslyckande
  • Högvatten larm
  • Tid för service/underhåll (valbart).
  • Val av automatiska larm återställa
  • Fel logg av upp till 20 larm
  • Val mellan olika start nivåer
  • Val av ansluten givartyp
  • Kalibrering av sensorn (förinställda)
  • Urval av serviceintervallet (0, 3, 6 eller 12 månader).
  • Som standard har den LC 221
6 potentialfria utgångar för:
  • Pumpen går
  • Pump misslyckande
  • Hög vattennivå larm
  • Vanligt fel.
6 digitala ingångar för följande funktioner:
  • Ansluta en tryck sensor styrelse (förmonterade)
  • Ansluta en analog sensor (4-20mA eller 0-5V)
  • Ansluta upp till fyra nivå växlar eller tryckvakter istället för analog sensor
  • Ansluta en separat brytare som ska användas för översvämning identifiering av utanför Multilift.
  • Lyftstationerna är ofta installerad i en sump inne i källaren - den lägsta punkten i byggnaden.
  • Vid t ex grundvatten inflöde eller vattenledning sprack, larm indikeras av registeransvarige.
  • Ansluta ett externt larm reset
  • Ansluta växeln termiska motorn.
  • Multilift sortimentet är utformad beror på den standard EN12050-1, godkänts och övervakas av externa Institutet LGA. 
  • Ytterligare godkännanden är VDE, GHOST, CB, EMV
        *-Bilden på produkten kan avvika från aktuell produkt.



Vätska
Pump Vätska Alla newtonska vätskor
Vätsketemperatur område 40°C
Densitet 998,2 kg/m³

Teknisk data
Resulterande flöde 11 l/s
Maximal flöde 16,7 l/s
Resulterande lyfthöjd för pumpen 7,056 m
Maximal tryck 10,4 m
Typ av hjul VIRVELHJUL
Maximal partikelstorlek 50 mm
Kurvtolerans EN 12050-1
Ventiltyp KLAFFVENTIL

Material
 Pumphjul LURANYL
Tank LDPE
Packning NBR
Installation
Trycksida 80

Elektriskdata
Uttagen effekt - P1 2 x 3 kW
P2 2 x 2,5 kW
Nätfrekvens 50 Hz
Märkspänning

3 x 400 V

Spänningstolerans +10/-14 %
Max antal starter per timme 60
Nominell ström 2 x 6,1 A
Cos phi - Effektfaktor 0,78
Hastighet 1430rpm
Motorns verkningsgrad vid full belastning 80,8 %
Antal poler 4
Startmetod direct-on-line
Kapslingsklass (EC 34-5) IP68
Isolationsklass (EC 85) F
Motorskydd Bimetall Termobrytare
Kabellängd 4 m
Kabeltyp H07 RN-F
Typ av skarvkoppling CEE 3P+N+E
Nätkabel 1,5 m
Kabelstorlek 4X1,5+2X1
Nätkabel H05 VV-F

Styrningar
Typ av automatikskåp LC221,2
Driftsform S3-50%,1MIN

Tank
Total volym  tank(s) 130 l
Total effektiv volym på
uppsamlingstanken vid 180 mm inlopp
49 l
Total effektiv volym på
uppsamlingstanken vid 250 mm inlopp
69 l
Total effektiv volym på 
uppsamlingstanken vid 315 mm inlopp
86 l

Övriga
Nettovikt 121 kg

 Prestanda kurvor

Notera

* Detta är nominella driftpunkten.

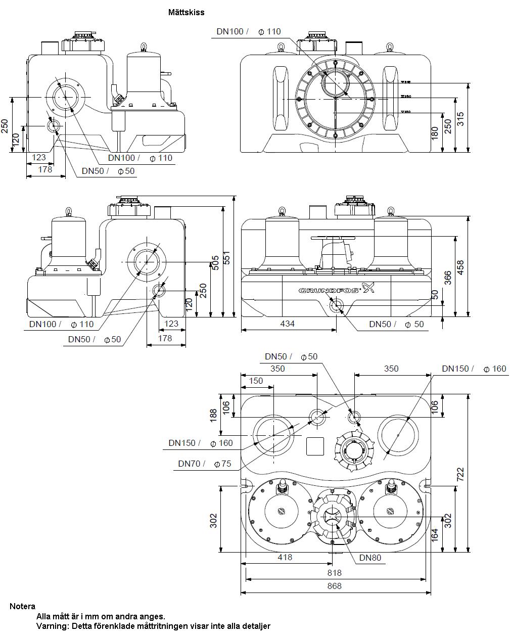
» Ritning med mått beskrivning
  • Avloppspumpstation Grundfos MultiLift M.22.3.4, 2,5kW,  11 l/s,  7,05m,  3x400V 50Hz
    Art. nr.
    GRU97901088
    Avloppspumpstation Grundfos MultiLift M.22.3.4, 2,5kW, 11 l/s, 7,05m, 3x400V 50Hz
För mer information kontakta oss på
0431-222 90


TRÄDGÅRDSTEKNIK AB
Helsingborgsv., Varalöv
262 96 ÄNGELHOLM
Telefon:
0431-222 90
Org Nr:
556409-6120
Webbadress:
www.tradgardsteknik.se
E-post:
info@tradgardsteknik.se