https://www.tradgardsteknik.se/logotyper/bill_logo_1.png
Patric Torle
info@tradgardsteknik.se
0431-222 90
0431-222 70
Trädgårdsteknik AB tillverkar och bygger växthus, specialväxthus, orangerier, belysning Garden för hela Skandinavien.
Helsingborgsvägen 578
ÄNGELHOLM
262 96
SWEDEN

Vertikal Flerstegs Centrifugalpump Grundfos CRN 150-6 A-F-G-E-HBQE 75kW 150m3/h 133,8 50Hz  




Vertikal Flerstegs Centrifugalpump Grundfos CRN 150-6 A-F-G-E-HBQE 75kW 150m3/h 133,8 50Hz

Vertikal, icke självsugande, flerstegs, in-linecentrifugalpump för installation i rörsystem och montering på fundament.

Pumpen har följande egenskaper:

  • Pumphjul och mellankammare är tillverkade av Rostfritt stål DIN W.-Nr. 1,4408.
  • Pumpöverdel och -underdel är tillverkade av Rostfritt stål.
  • Axeltätningen har inbyggnadslängd enligt EN 1.4401.
  • Kraftöverföring sker med delad koppling av gjutjärn.
  • Röranslutningar med DIN-flänsar.
  • Motorn är en växelströmsmotor för 3-fasdrift.
Allmän information
Produktnamn CRN 150-6 A-F-A-E-HBQE
Art. nr/Product No. 95922413
EAN nummer 5700838936339

Vätska
Vätska Vatten
Vätsketemperatur område -0 till 120 °C
Vätsketemp 20 °C
Densitet 998,2 kg/m³

Tekniskt
Hastighets

2975 rpm

Resulterande flöde 150 m³/h
 Resulterande lyfthöjd för pumpen 133,8 m
Pumphjul 6
Kod för axeltätning. 1: Typ 2. Rot.
tätningsdel 3: Stat. plats 4: Sek. tätning:
HBQE
Kurvtolerans ISO9906:2012 3B
Steg 6
Pumpversion A
Modell A

Material
Pumphus Rostfritt stål EN 1,4408
Pumphjul Rostfritt stål EN 1,4401

Installation
 Max. omgivningstemperatur 55°C
 Max. tryck vid angiven temp 30 bar / 120 °C
Flänsstandard DIN
Anslutningskod F
Röranslutning DN 125
Trycksteg PN 40
Motorflänsstorlek FF500

Elektriskdata
Motortyp SIEMENS
IE Efficiency class IE3
Antal Poler 2
Effektförbrukning - P2 75 kW
Effektbehov (P2) för pump 75 kW
Nätfrekvens 50 Hz
Märkspänning

3 x 380-420D/
660-725Y V

Nominell ström

135-125/78,0-72,0 A

Startström 680%
Cos phi - verkningsgrad 0,89
Varvtal 2975 rpm
Efficiency IE3 94,7%
Motorns verkningsgrad vid full belastning 94,7%
Motorverkningsgrad vid 3/4 last 94,8%
Motorverkningsgrad vid 1/2 last 94,1%
Kapslingsklass (EC 34-5) 55 (Skydda. Vattenstrålar / damm)
Isolationsklass (EC 85) F
Motorskydd PTC
Motornr 83U15240

Övriga
Märka Grundfos Blueflux
Minsta effektivitetsindex , MEI ≥ 0,7
Nettovikt 741 kg
Bruttovikt 905 kg

Prestanda kurvor

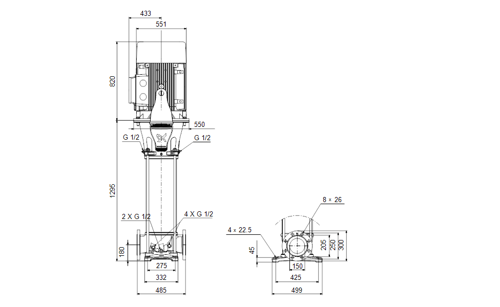
» Ritning med mått beskrivning

» kopplings schema

  • Vertikal Flerstegs Centrifugalpump Grundfos CRN 150-6 A-F-G-E-HBQE 75kW 150m<sup>3</sup>/h 133,8 50Hz
    Art. nr.
    GRU95922413
    Vertikal Flerstegs Centrifugalpump Grundfos CRN 150-6 A-F-G-E-HBQE 75kW 150m3/h 133,8 50Hz
För mer information kontakta oss på
0431-222 90


TRÄDGÅRDSTEKNIK AB
Helsingborgsv., Varalöv
262 96 ÄNGELHOLM
Telefon:
0431-222 90
Org Nr:
556409-6120
Webbadress:
www.tradgardsteknik.se
E-post:
info@tradgardsteknik.se