https://www.tradgardsteknik.se/logotyper/bill_logo_1.png
Patric Torle
info@tradgardsteknik.se
0431-222 90
0431-222 70
Trädgårdsteknik AB tillverkar och bygger växthus, specialväxthus, orangerier, belysning Garden för hela Skandinavien.
Helsingborgsvägen 578
ÄNGELHOLM
262 96
SWEDEN

Cirkulationspump Grundfos TPED 65-410/2, 7,5kW 58,3m³/h 28,7m 3x400V 50Hz  




Cirkulationspump Grundfos TPED 65-410/2,  7,5kW  58,3m³/h  28,7m 3x400V 50Hz

    • Enstegs, direktkopplad, dubbelpump med inlopps-och utloppsportar i linje med samma diametrar.
    • Dubbelpumpen är konstruerad med två parallella drivsidor.
    • Pumparna är konstruerade för att kunna lyftas uppåt ur sin installation (”top-pull-out”), dvs. att pumpöverdelen (motor, pumpöverdel och pumphjul) kan lyftas ut för underhåll eller service, medan pumphuset sitter kvar i rörkonstruktionen.
    • Varje pump är försedd med en obalanserad gummibälgstätning.
    • Axeltätningen uppfyller EN 12756.
    • Röranslutningen sker med PN 16 DIN-flänsar (EN 1092-2 och ISO 7005-2).
    • Varje pump är försedd med en fläktkyld asynkronmotor av motsvarande storlek.
    • Motorn har en frekvensomformare och en PI-styrenhet i motorns kopplingsbox.
    • Detta möjliggör kontinuerlig reglering av motorvarvtalet, vilket gör att man kan anpassa pumpens prestanda efter ett givet behov.
    • Pumpen är försedd med en differenstryckssensor
      *-Bilden på produkten kan avvika från aktuell produkt.


      Vätska
      Vätska Vatten
      Vätsketemperatur område 0 till 120°C
      Vätsketemp 20°C
      Densitet 998,2 kg/m³

      Teknisk data
      Hastighets

      2910 rpm

      Resulterande flöde 58,3 m³/h
       Resulterande lyfthöjd för pumpen 28,7 m
      Max. tryck 410 dm
      Kod för axeltätning. 1: Typ 2. Rot.
      tätningsdel 3: Stat. plats 4: Sek. tätning:
      BAQE
      Kurvtolerans ISO9906:2012 3B
      Pumpversion A
      Modell A

      Material
      Pumphus  Gjutjärn EN-JL 1040
      ASTM A48-40B
      Pumphjul Gjutjärn
      EN-JL1030
      ASTM A48-30 B
      Materialkod A

      Installation
       Max. omgivningstemperatur 40°C
      Max. driftstryck 16 bar
      Max. tryck vid angiven temp 16 bar /
      120 °C
      Flänsstandard DIN
      Anslutningskod F
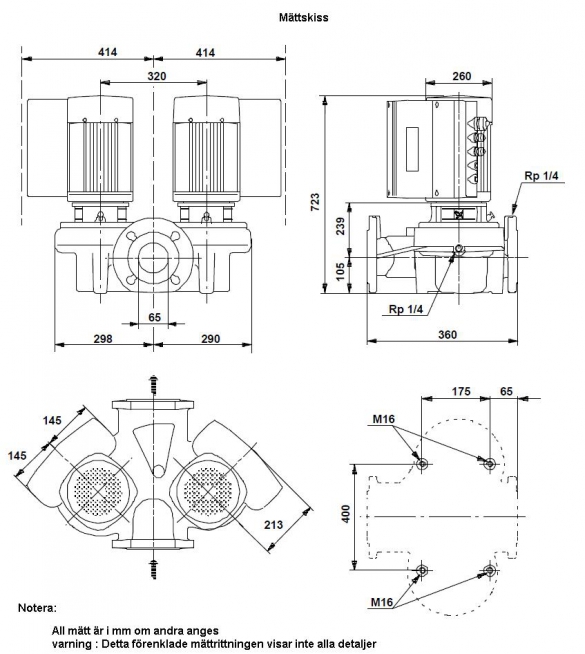
      Röranslutning DN 65
      Trycksteg PN 16
      Inbyggnadslängd 360 mm
      Motorflänsstorlek FF265

      Elektriskdata
      Motortyp 132SB
      IE Efficiency class IE3
      Effektförbrukning  P2 2 x 7,5 kW
      Antal Poler 2
      Nätfrekvens 50 Hz
      Märkspänning 3 x 380-480 V
      Nominell ström 14,8-11,6 A
      Cos phi - verkningsgrad 0,94-0,95
      Varvtal 480-3500 rpm
      Kapslingsklass (EC 34-5) IP55
      Efficiency IE3 90,1%
      Isolationsklass (EC 85) F
      Motorskydd INGEN
      Motornr 85901365

      Övriga
      Märka Grundfos Blueflux
      Minsta effektivitetsindex, MEI ≥ 0,70
      Nettovikt 221 kg
      Bruttovikt 245 kg
      Leveransvolym 0,64 m3


       Prestanda kurvor

      » Ritning med mått beskrivning

      • Cirkulationspump Grundfos TPED 65-410/2,  7,5kW  58,3m³/h  28,7m 3x400V 50Hz
        Art. nr.
        GRU96275592
        Cirkulationspump Grundfos TPED 65-410/2, 7,5kW 58,3m³/h 28,7m 3x400V 50Hz
      För mer information kontakta oss på
      0431-222 90


      TRÄDGÅRDSTEKNIK AB
      Helsingborgsv., Varalöv
      262 96 ÄNGELHOLM
      Telefon:
      0431-222 90
      Org Nr:
      556409-6120
      Webbadress:
      www.tradgardsteknik.se
      E-post:
      info@tradgardsteknik.se