Pump elektriska vertikala flerstegs kompakta  MEKV50C-8


Utvändiga mått i mm och vikt i kg
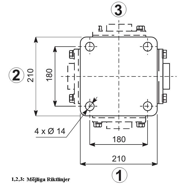
M=Pump fyllning =3/8 GAS, N=Dropp Avlopp =3/8 GAS, L=pump Avlopp =1/4" GAS
| MEKVI65-30 - 2 Poler | 
| Pump | A | B | C | D | E | Pump Vikt | 
| ME1,5KV50C-8/5 | * | 422 | * | * | 227 | 31 | 
| ME2KV50C-8/7 | * | 490 | * | * | 295 | 32,5 | 
| ME3KV50C-8/11 | * | 626 | * | * | 431 | 36,5 | 
| ME4KV50C-8/14 | * | 728 | * | * | 533 | 39 | 
| ME5KV50C-8/19 | * | 942 | * | * | 747 | 46,5 | 
| Pumptyp | Motoreffekt | Kapacitet | 
| [l/min]] | 0 | 30 | 50 | 70 | 100 | 110 | 120 | 130 | 145 | 
| [m3/h] | 0 | 1,8 | 3 | 4,2 | 6 | 6,6 | 7,2 | 7,8 | 8,7 | 
| [kW] | [l/s] | 0 | 0,5 | 0,8 | 1,2 | 1,7 | 1,83 | 2 | 2,17 | 2,57 | 
| ME1,5KV50C-8/5 | 1,1 | [Hm] | 45 | 44 | 42 | 40 | 34 | 31 | 28 | 25 | 20 | 
| ME2KV50C-8/7 | 1,5 | [Hm] | 63 | 61 | 58 | 55 | 46 | 43 | 39 | 34 | 28 | 
| ME3KV50C-8/11 | 2,2 | [Hm] | 100 | 98 | 95 | 91 | 78 | 74 | 67 | 61 | 51 | 
| ME4KV50C-8/14 | 3 | [Hm] | 127 | 125 | 123 | 117 | 100 | 94 | 85 | 77 | 64 | 
| ME5KV50C-8/19 | 4 | [Hm] | 177 | 174 | 170 | 163 | 143 | 132 | 122 | 110 | 93 | 

 

Kurvor fastställda för vätsketäthet 1000 kg/m³ 
Viskositet 1 mm² /s
Temperatur 20°C
η% - Pump effektivitet
Y - Ventilförlust Returnerar ej.