https://www.tradgardsteknik.se/logotyper/bill_logo_1.png
Patric Torle
info@tradgardsteknik.se
0431-222 90
0431-222 70
Trädgårdsteknik AB tillverkar och bygger växthus, specialväxthus, orangerier, belysning Garden för hela Skandinavien.
Helsingborgsvägen 578
ÄNGELHOLM
262 96
SWEDEN

Cirkulationspump Grundfos TPE 80-30/4, 0,37kW 34,9m³/h 1,85m 1x230V 50Hz  




Cirkulationspump Grundfos TPE 80-30/4,  0,37kW  34,9m³/h  1,85m 1x230V 50Hz

    • Enstegs, direktkopplad pump med inlopps-och utloppsportar i linje med samma diameter.
    • Pumparna är konstruerade för att kunna lyftas uppåt ur sin installation (”top-pull-out”), dvs. att pumpöverdelen (motor, pumpöverdel och pumphjul) kan lyftas ut för underhåll eller service, medan pumphuset sitter kvar i rörkonstruktionen.
    • Pumpen är försedd med en obalanserad gummibälgstätning.
    • Axeltätningen uppfyller EN 12756.
    • Röranslutningen sker med PN 6 DIN-flänsar (EN 1092-2 och ISO 7005-2).
    • Pumpen är försedd med en fläktkyld, synkron permanentmotor.
    • Pumpen är försedd med en differenstryckssensor.
          *-Bilden på produkten kan avvika från aktuell produkt.


    Vätska
    Vätska Vatten
    Vätsketemperatur område 0 till 140°C
    Vätsketemp 20°C
    Densitet 998,2 kg/m³

    Teknisk data
    Hastighets

    1400 rpm

    Resulterande flöde 34,9 m³/h
     Resulterande lyfthöjd för pumpen 1,85 m
    Max. tryck 30 dm
    Kod för axeltätning. 1: Typ 2. Rot.
    tätningsdel 3: Stat. plats 4: Sek. tätning:
    BUBE
    Kurvtolerans ISO9906:2012 3B
    Pumpversion A
    Modell A

    Material
    Pumphus  Gjutjärn EN-JL 1040
    ASTM A48-40B
    Pumphjul Rostfritt stål
    DIN W.-Nr. 1,4301
    AISI 304
    Materialkod A

    Installation
     Max. omgivningstemperatur 50°C
    Max. driftstryck 6 bar
    Flänsstandard DIN
    Anslutningskod F
    Röranslutning DN 80
    Trycksteg PN 6
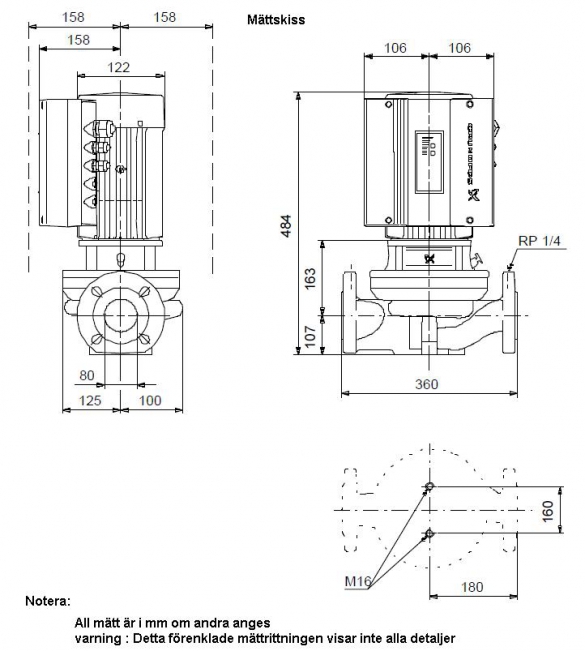
    Inbyggnadslängd 360 mm
    Motorflänsstorlek FT85

    Elektriskdata
    Motortyp 71A
    IE Efficiency class NA
    Effektförbrukning  P2 0,37 kW
    Nätfrekvens 50 Hz
    Märkspänning 1 x 200-240 V
    Nominell ström 2,45-2,05 A
    Cos phi - verkningsgrad 0,96
    Varvtal 180-2000 rpm
    Kapslingsklass (EC 34-5) IP55
    Efficiency IE3 82%
    Isolationsklass (EC 85) F
    Motorskydd JA
    Motornr 98362325

    Övriga
    Märka Grundfos Blueflux
    Minsta effektivitetsindex, MEI ≥ 0,70
    Nettovikt 47,1 kg
    Bruttovikt 53 kg
    Leveransvolym 0,16 m3


     Prestanda kurvor

    » Ritning med mått beskrivning

    • Cirkulationspump Grundfos TPE 80-30/4,  0,37kW  34,9m³/h  1,85m 1x230V 50Hz
      Art. nr.
      GRU97931955
      Cirkulationspump Grundfos TPE 80-30/4, 0,37kW 34,9m³/h 1,85m 1x230V 50Hz
    För mer information kontakta oss på
    0431-222 90


    TRÄDGÅRDSTEKNIK AB
    Helsingborgsv., Varalöv
    262 96 ÄNGELHOLM
    Telefon:
    0431-222 90
    Org Nr:
    556409-6120
    Webbadress:
    www.tradgardsteknik.se
    E-post:
    info@tradgardsteknik.se