https://www.tradgardsteknik.se/logotyper/bill_logo_1.png
Patric Torle
info@tradgardsteknik.se
0431-222 90
0431-222 70
Trädgårdsteknik AB tillverkar och bygger växthus, specialväxthus, orangerier, belysning Garden för hela Skandinavien.
Helsingborgsvägen 578
ÄNGELHOLM
262 96
SWEDEN

Cirkulationspump Grundfos TPE 150-100/4, 5,5kW 200m³/h 7,5m 3x400V 50Hz  




Cirkulationspump Grundfos TPE 150-100/4,  5,5kW  200m³/h  7,5m 3x400V 50Hz

  • Enstegs, direktkopplad pump med inlopps-och utloppsportar i linje med samma diameter.
  • Pumparna är konstruerade för att kunna lyftas uppåt ur sin installation (”top-pull-out”), dvs. att pumpöverdelen (motor, pumpöverdel och pumphjul) kan lyftas ut för underhåll eller service, medan pumphuset sitter kvar i rörkonstruktionen.
  • Pumpen är försedd med en obalanserad gummibälgstätning.
  • Axeltätningen uppfyller EN 12756.
  • Röranslutningen sker med PN 16 DIN-flänsar (EN 1092-2 och ISO 7005-2).
  • Pumpen är försedd med en fläktkyld asynkronmotor.
  • Motorn har en frekvensomformare och en PI-styrenhet i motorns kopplingsbox.
  • Detta möjliggör kontinuerlig reglering av motorvarvtalet, vilket gör att man kan anpassa pumpens prestanda efter ett givet behov.
  • Pumpen är försedd med en differenstryckssensor.
Ytterligare produktinformation
  • Pumpen är lämplig för applikationer som kräver tryckreglering.
  • Motorn är försedd med en differenstryckgivare som registrerar differenstrycket över pumpen och medger reglering med konstant tryck eller proportionel tryckreglering av pumpen.
  • En manöverpanel möjliggör inställning av önskat börvärde samt inställning av pumpen på drift med ”Min.” eller ”Max.” eller för att ”Stoppa”.
  • Manöverpanelen har indikeringslampor för ”Drift” och ”Fel”.
  • Kommunikation med pumpen är möjlig med Grundfos GO Remote (tillbehör).
  • Fjärrkontrollen medger ytterligare inställningar samt avläsning av ett antal parametrar såsom ”Verkligt värde”, ”Varvtal”, ”Ineffekt” och total ”Effektförbrukning”.
*-Bilden på produkten kan avvika från aktuell produkt.

Vätska
Vätska Vatten
Vätsketemperatur område 0 till 120°C
Vätsketemp 20°C
Densitet 998,2 kg/m³

Teknisk data
Hastighets

1450 rpm

Resulterande flöde 200 m³/h
 Resulterande lyfthöjd för pumpen 7,5 m
Max. tryck 100 dm
Kod för axeltätning. 1: Typ 2. Rot.
tätningsdel 3: Stat. plats 4: Sek. tätning:
BAQE
Kurvtolerans ISO9906:2012 3B
Pumpversion A
Modell A

Material
Pumphus  Gjutjärn EN-JL 1040
ASTM A48-40B
Pumphjul Gjutjärn
EN-JL1030
ASTM A48-30 B
Materialkod A

Installation
 Max. omgivningstemperatur 40°C
Max. driftstryck 16 bar
Flänsstandard DIN
Anslutningskod F
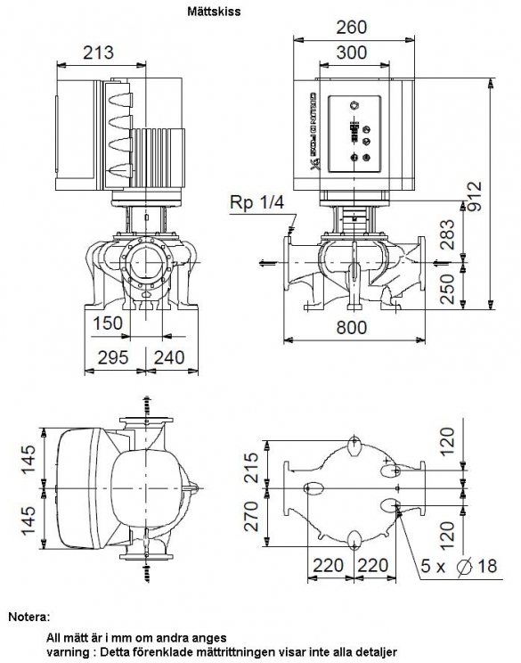
Röranslutning DN 150
Trycksteg PN 16
Inbyggnadslängd 800 mm
Motorflänsstorlek FF265

Elektriskdata
Motortyp 132SB
IE Efficiency class IE3
Effektförbrukning  P2 5,5 kW
Antal Poler 4
Nätfrekvens 50 Hz
Märkspänning 3 x 380-480 V
Nominell ström 11,0-9,00 A
Cos phi - verkningsgrad 0,95-0,94
Varvtal 240-1750 rpm
Kapslingsklass (EC 34-5) IP55
Efficiency IE3 89,6%
Isolationsklass (EC 85) F
Motorskydd INGEN
Motornr 86906156

Övriga
Minsta effektivitetsindex, MEI ≥ 0,62
Nettovikt 230 kg
Bruttovikt 385 kg
Leveransvolym 2,29 m3


 Prestanda kurvor

» Ritning med mått beskrivning

  • Cirkulationspump Grundfos TPE 150-100/4,  5,5kW  200m³/h  7,5m 3x400V 50Hz
    Art. nr.
    GRU95046218
    Cirkulationspump Grundfos TPE 150-100/4, 5,5kW 200m³/h 7,5m 3x400V 50Hz
För mer information kontakta oss på
0431-222 90


TRÄDGÅRDSTEKNIK AB
Helsingborgsv., Varalöv
262 96 ÄNGELHOLM
Telefon:
0431-222 90
Org Nr:
556409-6120
Webbadress:
www.tradgardsteknik.se
E-post:
info@tradgardsteknik.se