https://www.tradgardsteknik.se/logotyper/bill_logo_1.png
Patric Torle
info@tradgardsteknik.se
0431-222 90
0431-222 70
Trädgårdsteknik AB tillverkar och bygger växthus, specialväxthus, orangerier, belysning Garden för hela Skandinavien.
Helsingborgsvägen 578
ÄNGELHOLM
262 96
SWEDEN

Avloppspumpstation med skärande pump Grundfos MDG.12.3.2, 1,2kW 3,16 l/s 11,77m 3x400V 50Hz  




Avloppspumpstation med skärande pump Grundfos MDG.12.3.2, 1,2kW 3,16 l/s 11,77m 3x400V 50Hz
  • Levereras som komplett enhet redo för installation, den Multilift består av en fullt integrerad samlande tank med två grinder pumpar och dränkbara motorer monterad på den samlande behållaren och en förkopplad Controller inkl en nivågivare. (Non-returnventiler och tömningsrör som finns som
  • tillbehör)
  • En fullt integrerad uppsamlingsbehållare har alla nödvändiga portar för anslutning av inloppsröret, utloppsrör, ventilationsrör och en manuellt  manövrerad membranpump (tillbehör).
  • Den samlande behållaren innehåller 7 inlopp sockets runt det har forma.
  • Tillbaka inloppet DN100 placeras på en patenterad inlopp disk att ansluta alla inlopp pipe nivåer (centrum) mellan 180 och 315 mm steglös.
  • DN100 och DN50 inlopp uttag på varje sida. DN150, DN50-uttagen på den tank.
  • Multilift korrosion gratis polyethylen samlande behållare är gas - och lukt-proof samt lika vattentäta, minskning av restvatten och mindre sedimentation av fasade botten design.
  • Grinder pumpen med Vortex impeller, dränkbar motor, oljekammaren med fysiologiska ofarliga oljepåfyllning mellan en mekanisk patrontätning skaft. Pumpar utsläpp med inre trådar av 1 1/4 tum.
  • En LC221 styrenhet med mikroprocessor är utrustad med display för full övervakning möjligheter.
  • Pump och sensor är ansluten till styrenheten med 10m kabel och slang längd.
  • Kraften matningskabeln är 1, 5m med stickkontakt (inkl. fas inverter för 3-fasmotor)
  • Kontaktlösa, piezo resistiv tryck sensor pluggable insidan skåpet, övervakas av kontroller, exakt till den millimeter på displayen.
  • Blockering gratis tryck röret inuti tanken utan rörliga delar inuti avloppsvatten.
  • Registeransvarige erbjuda termisk motorskydd och övervakning av pump drift. Termiska motorn skydd består av termokontakter i lindningen.
Kontroller funktioner:
  • På/av, regelbundna och misslyckande övergången av två skärande pump baserat på en kontinuerlig signal från en piezo-resistiv sensor
  • Motorskydd via motor-skyddsåtgärder effektbrytare eller strömmätning samt anslutning av termokontakter.
  • Torr kör motorskydd via körning begränsning med en följande nöddrift 24h automatiska testet körs under långa perioder av inaktivitet
Inställning av fördröjningstider:
  • Stoppa dröjsmål (tid från stoppnivån nås tills den pumpade stoppas)
  • Start fördröjning (tid från startnivå nås tills den pumpade startas)
  • Larm försening (tid från ett fel visas tills ett larm är anges) till förhindrar kort-tid high-level larmet vid tillfälligt hög tillströmning till tank.
  • Automatisk strömmätning för larm indikationer
Operativa uppgift om:
  • Läge (auto, manuell)
  • Drifttimmar
  • Impulser (antal starter)
  • Högsta uppmätta motor ström
Larmindikering av:
  • Pumpa status (löpning, fel)
  • Fasföljd fel och saknad fas
  • Thermal-switch misslyckande
  • Högvatten larm
  • Tid för service/underhåll (valbart).
  • Val av automatiska larm återställa
  • Fel logg av upp till 20 larm
  • Val mellan olika start nivåer
  • Val av ansluten givartyp
  • Kalibrering av sensorn (förinställda)
  • Urval av serviceintervallet (0, 3, 6 eller 12 månader).
  • Som standard har den LC 221
4 potentialfria utgångar för:
  • Pumpen går
  • Pump misslyckande
  • Hög vattennivå larm
  • Vanligt fel.
6 digitala ingångar för följande funktioner:
  • Ansluta en tryck sensor styrelse (förmonterade)
  • Ansluta en analog sensor (4-20mA eller 0-5V)
  • Ansluta upp till fyra nivå växlar eller tryckvakter istället för analog sensor
  • Ansluta en separat brytare som ska användas för översvämning identifiering av utanför Multilift.
  • Lyftstationerna är ofta installerad i en sump inne i källaren
  • Den lägsta punkten i byggnaden. I t.ex. grundvattnet inflöde eller vattenledning sprack, larm indikeras av registeransvarige.
  • Ansluta ett externt larm reset
  • Ansluta växeln termiska motorn.
  • Multilift sortimentet är utformad beror på den standard EN12050-1, godkänts och övervakas av yttre institute LGA. 
  • Ytterligare godkännanden är VDE, GHOST, CB, EMV
       *-Bilden på produkten kan avvika från aktuell produkt.



Vätska
Pump Vätska Alla newtonska vätskor
Vätsketemperatur område 40°C
Densitet 998,2 kg/m³

Teknisk data
Resulterande flöde 3,16 l/s
Maximal flöde 5 l/s
Resulterande lyfthöjd för pumpen 11,77 m
Maximal tryck 20,7 m
Typ av hjul SKÄRANDE SYSTEM

Material
Packning SIC/SIC

Elektriskdata
Uttagen effekt - P1 2 x 1,8  kW
P2 2 x 1,2 kW
Nätfrekvens 50 Hz
Märkspänning

3 x 400 V

Spänningstolerans +10/-10 %
Maximal antal starter per timme 60
Nominell ström 2 x 3,2 A
Cos phi - Effektfaktor 0,81
Hastighet 2750rpm
Motorns verkningsgrad vid full belastning 73 %
Antal poler 2
Startmetod direct-on-line
Kapslingsklass (EC 34-5) IP68
Isolationsklass (EC 85) F
Motorskydd TERMISK BRYTARE
Kabellängd 10 m
Kabeltyp H07RN-F
Typ av skarvkoppling CEE 3P+N+E
Nätkabel 1,5 m
Nätkabel H05 VV-F

Styrningar
Typ av automatikskåp LC221,2
Driftsform S3-35%, 1MIN

Tank
Totala volymen av tanken (tankarna) 93 l
Total effektiv volym på uppsamlingstanken
vid 180 mm inlopp
23 l
Total effektiv volym på uppsamlingstanken
vid 250 mm inlopp
37 I
Total effektiv volym på uppsamlingstanken
vid 315 mm inlopp
50 l


 Prestanda kurvor

Notera

* Detta är nominella driftpunkten.

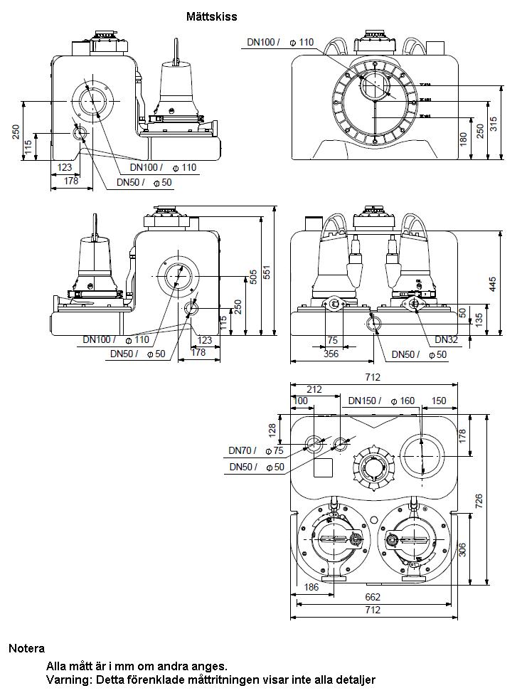
» Ritning med mått beskrivning
  • Avloppspumpstation med skärande pump Grundfos MDG.12.3.2, 1,2kW 3,16 l/s 11,77m 3x400V 50Hz
    Art. nr.
    GRU97901139
    Avloppspumpstation med skärande pump Grundfos MDG.12.3.2, 1,2kW 3,16 l/s 11,77m 3x400V 50Hz
För mer information kontakta oss på
0431-222 90


TRÄDGÅRDSTEKNIK AB
Helsingborgsv., Varalöv
262 96 ÄNGELHOLM
Telefon:
0431-222 90
Org Nr:
556409-6120
Webbadress:
www.tradgardsteknik.se
E-post:
info@tradgardsteknik.se