https://www.tradgardsteknik.se/logotyper/bill_logo_1.png
Patric Torle
info@tradgardsteknik.se
0431-222 90
0431-222 70
Trädgårdsteknik AB tillverkar och bygger växthus, specialväxthus, orangerier, belysning Garden för hela Skandinavien.
Helsingborgsvägen 578
ÄNGELHOLM
262 96
SWEDEN

Avloppspump med autoadapt Grundfos SEG40.31.E.2.50B, 3,1kW 3,36 l/s 26,62m 3x400V 50Hz  




Avloppspump med autoadapt Grundfos SEG40.31.E.2.50B, 3,1kW 3,36 l/s 26,62m 3x400V 50Hz
  • Grundfos pumpar SEG AUTOADAPT är dränkbara pumpar med horisontell utloppsport, speciellt konstruerade för pumpning av trycksatt spillvatten med avlopp från toaletter.
  • Pumparna SEG AUTOADAPT är försedda med ett skärsystem som finfördelar fasta partiklar så att dessa kan pumpas bort genom rör med relativt liten diameter.
  • Pumpens yta är slät för att förhindra att smuts och föroreningar fastnar på pumpen.
  • Pumpen är till största delen tillverkad av gjutjärn.
  • Spännbandet som håller fast motorn på pumphuset är av rostfritt stål för att förhindra korrosion och underlätta pumpservice.
  • I pumpens matningskabel finns också ledare för temperaturgivarna i motorlindningarna.
  • Kabeln ansluts med stickpropp.
  • Den helt förseglade stickkontaktsanslutningen hindrar fukt från att tränga in i motorn genom kabeln vid eventuellt kabelbrott eller olämplig och/eller oförsiktig hantering av
  • Pumpkabeln.
  • Grundfos pumpar SEG AUTOADAPT har en styrenhet, givare och motorskydd.
  • De behöver bara anslutas till elnätet.
  • Om flera pumpar är installerade i samma tank säkerställer den inbyggda reglerlogiken att lasten fördelas jämnt mellan pumparna över tid.
  • Larmreläutgång
  • Pumpen har en larmreläutgång. Reläet kan vara brytande (NC) eller slutande (NO), till exempel för akustiska eller visuella larm.
  • Slumpmässig startfördröjning i händelse av strömavbrott.
  • Pumpen startar inte om inte fasföljden är korrekt.
  • Självkalibrering efter varje pumpcykel.
  • Antikärvningssystem.
  • Antikärvingssystemet startar pumpen med programmerade intervall för att förhindra att pumphjulet kärvar.
  • Den här funktionen förbikopplar torrkörningsgivaren för icke-EX-versioner.
  • Möjlighet till eftergång (skumavskiljning)
  • Eftergång är möjlig med programmerade intervall vid risk för flytande skikt.
  • Grundfos CIU-enhet kan anslutas permanent eller tillfälligt för att ändra förinställningar, göra nya inställningar eller läsa ut logg och driftsparametrar, som antal starter och driftstimmar.
  • *-Bilden på produkten kan avvika från aktuell produkt.



Vätska
Pump Vätska Alla newtonska vätskor
Vätsketemperatur område 40 °C
Densitet 998,2 kg/m³

Teknisk data
Resulterande flöde 3,36 l/s
Max. flöde 4,75 l/s
Resulterande lyfthöjd för pumpen 26,62 m
Max. tryck 37 m
Typ av hjul SKÄRANDE SYSTEM
Primär axeltätning SIC/SIC
Sekundär axeltätning KOL/CERAMICS
Kurvtolerans ISO9906:2012 3B2

Material
 Pumphus Gjutjärn
EN-GJL-200
Pumphjul Gjutjärn
EN-GJL-200

Installation
Max. omgivningstemperatur 40 °C
Max. driftstryck 6 bar
Flänsstandard DIN
Rörförbindelse DN40/50
Trycksida DN 40
Trycksteg PN10
Max. installationsdjup 10 m
Inst. torr/våt SUBMERGED
Kopplingsfot 96076063

Elektriskdata
Uttagen effekt - P1 3,9 kW
P2 3,1 kW
Nätfrekvens 50 Hz
Märkspänning

3 x 400-
415 V

Spänningstolerans +6/-10 %
Max antal starter per timme 30
Nominell ström 6,3/6,3 A
Startström 43 A
Beräknad ström vid noll belastning 3,1 A
Cos phi - Effektfaktor 0,86
Cos phi - p.f. vid 3/4 belastning 0,81
Cos phi - p.f. vid 1/2 belastning 0,71
Hastighet 2900rpm
Tröghetsmoment 0,01 kg m²
Motorns verkningsgrad vid full belastning 84%
Motorns verkningsgrad vid 3/4 belastning 82%
Motorns verkningsgrad vid 1/2 belastning 79%
Antal poler 2
Startmetod direct-on-line
Kapslingsklass (EC 34-5) IP68
Isolationsklass (EC 85) F
Explosionsskyddad N
Motorskydd TERMISK BRYTARE
Termiskt skydd invändig
Kabellängd 10 m
Kabeltyp LYNIFLEX
Typ av skarvkoppling Ingen plug

Styrningar
Styrenhet Ej inkluderad
Build in
Fuktgivare utan fuktighetssensor
AUTOADAPT Ja

Övriga
Nettovikt 65 kg

 Prestanda kurvor

Notera

Detta är nominella driftpunkten.

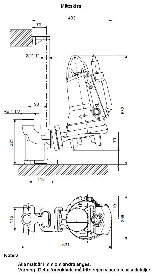
» Ritning med mått beskrivning

  • Avloppspump med autoadapt Grundfos SEG40.31.E.2.50B, 3,1kW 3,36 l/s 26,62m 3x400V 50Hz
    Art. nr.
    GRU96878518
    Avloppspump med autoadapt Grundfos SEG40.31.E.2.50B, 3,1kW 3,36 l/s 26,62m 3x400V 50Hz
För mer information kontakta oss på
0431-222 90


TRÄDGÅRDSTEKNIK AB
Helsingborgsv., Varalöv
262 96 ÄNGELHOLM
Telefon:
0431-222 90
Org Nr:
556409-6120
Webbadress:
www.tradgardsteknik.se
E-post:
info@tradgardsteknik.se